-
Açıklama
-
Yorumlar
-
Proje Hizmeti
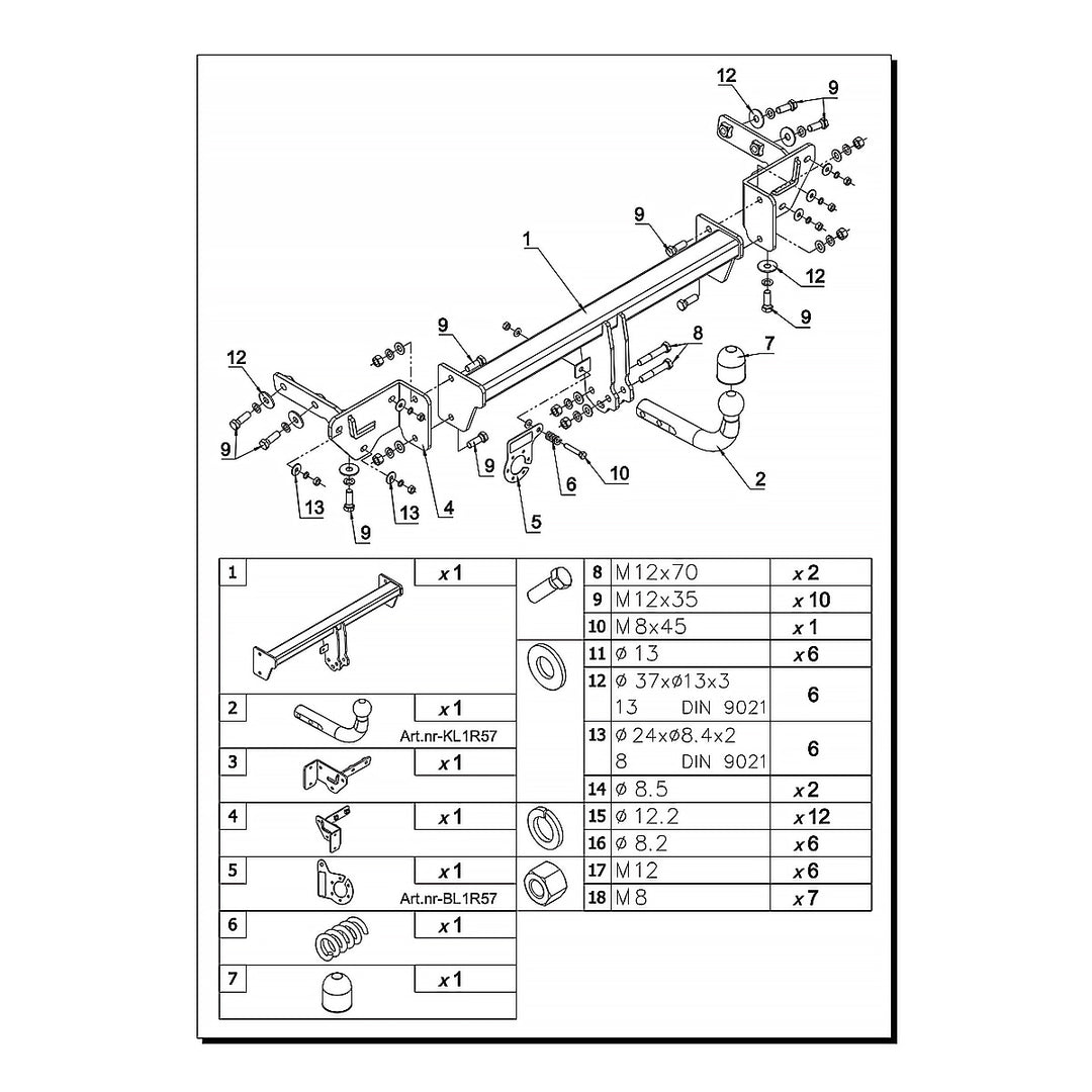
Ürün Kodu: R57
Marka: AutoHak
FIAT EGEA
4 Kapı
Model yılı 2016 'dan sonrası olan araçlar için uygundur.
Montaj ve proje bedeli dahil değildir. Montaj ve proje işlemleri için bilgi alabilirsiniz.
Araçlarınıza yapılan çeki demiri montajı ve diğer özel uygulamaların resmi kayıtlara geçmesi için proje hizmeti sunuyoruz. Süreç, tamamen TSE onaylı ve Avrupa standartlarına uygun şekilde yürütülmektedir.
Başvuru ve Bilgi Paylaşımı Gerekli araç bilgileri ve montaj detayları alınır.
Tamamlanma Süresi Proje hizmeti yaklaşık 2-3 iş günü içerisinde tamamlanır.
Hizmet Bedeli Proje hizmeti ücreti KDV dahil ₺5000’dir.
Resmileştirme Proje tamamlandıktan sonra belgeler teslim edilir ve araç resmi kayıtlara işlenir.



